
概述
振鈴波抗擾度發生器HRWS是專門模擬電網高能量振蕩的測試設備,這種振鈴波通常是電網中大負載接入和斷開時誘發的。HRWS系列振鈴波模擬器內置單相耦合去耦網絡,最大電流16A,外置三相耦合去耦網絡,最大電流200A。
HRWS系列主機自帶7英寸的觸摸屏微機程控,通過USB接口支持在線固件升級,用戶也可以用PC實現遠程控制(LAN通信)。
HRWS 正面圖
產品特點:
◆7英寸觸摸彩屏,簡潔大方的UI,利于操作
◆7.0kV/10.0kV最大輸出電壓
◆峰值電壓和峰值電流檢測
◆單相16A&三相32/64/100/200A的CDN可選,全自動控制
◆外部擴展直流故障電源和電壓變化測試模塊EUT
◆高品質進口元器件,產品體積小&重量輕
◆可編輯單個的試驗程序和多個程序的組合
◆波形:0.5μs/100kHz
◆阻抗:12 Ω & 30 Ω
◆數據線端口耦合去耦網絡,滿足IEC和ANSI標準
◆全兼容、認證級抗擾度測試系統
適用標準:
◆IEC/EN 61000-4-12
◆GB/T 17626.12
◆ANSI/IEEE C37.90
◆ANSI/IEEE C62.41
技術參數:
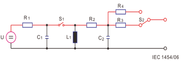
振鈴波發生器原理圖:
軟件運行界面:
選型及配件: